
U0630 框架電磁鐵是磁心科技大批量生產的一款微型推拉式電磁鐵,框架電磁鐵U0630可以做成推式電磁鐵和拉式電磁鐵,產品具有體積小、安裝方便、成本低被市場廣泛用于自動化設備、自動玩具、信報箱和儲物柜等做為動作高精
密執 行元器件,框架電磁鐵U0630產品的詳細介紹如下:
一、產品簡介
品牌:磁心科技
品名:框架推拉式電磁鐵
型號:U0630
電壓:一般為DC6V-DC220V 根據客戶的需求而定
電流:0.5A-7A 根據客戶的需要而定
行程和力量:行程5MM時,力量可達到600克 具體情況根據客戶的使用而定
典型壽命:一般在50萬次以上
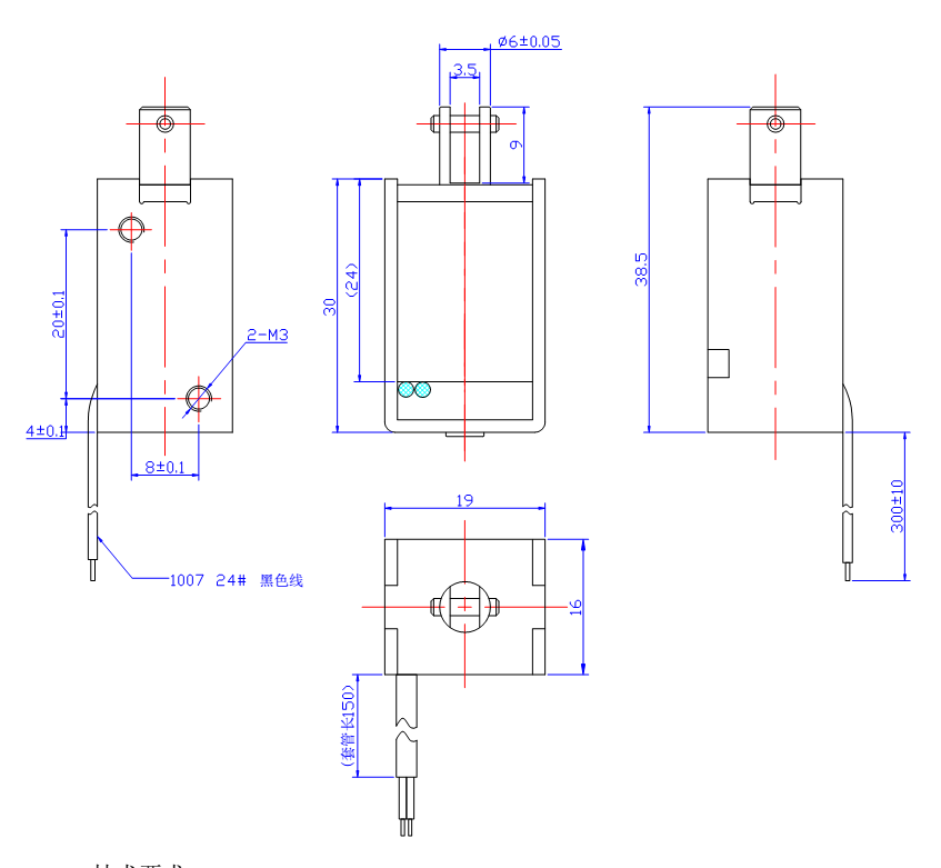
二、產品詳細圖紙:

三、產品行程和力量曲線圖:

四、產品時間和溫升圖:

五、滑竿和頂桿和外界的鏈接圖片:可根據客戶的要求定制


廠家提示:磁心科技是研發、批量生產、銷售、售后服務一體化的生產型工廠,提供定制、研發新產品,如果上述產品不符合您的要求,歡迎您致電我們,我們會根據您的需求專門定制。
廠家生產的產品系列:框架電磁鐵、推拉式電磁鐵、圓管電磁鐵、吸盤電磁鐵、旋轉電磁鐵、拍打電磁鐵以及擺動電磁鐵。磁心科技批量生產系列產品,歡迎您前來選購。